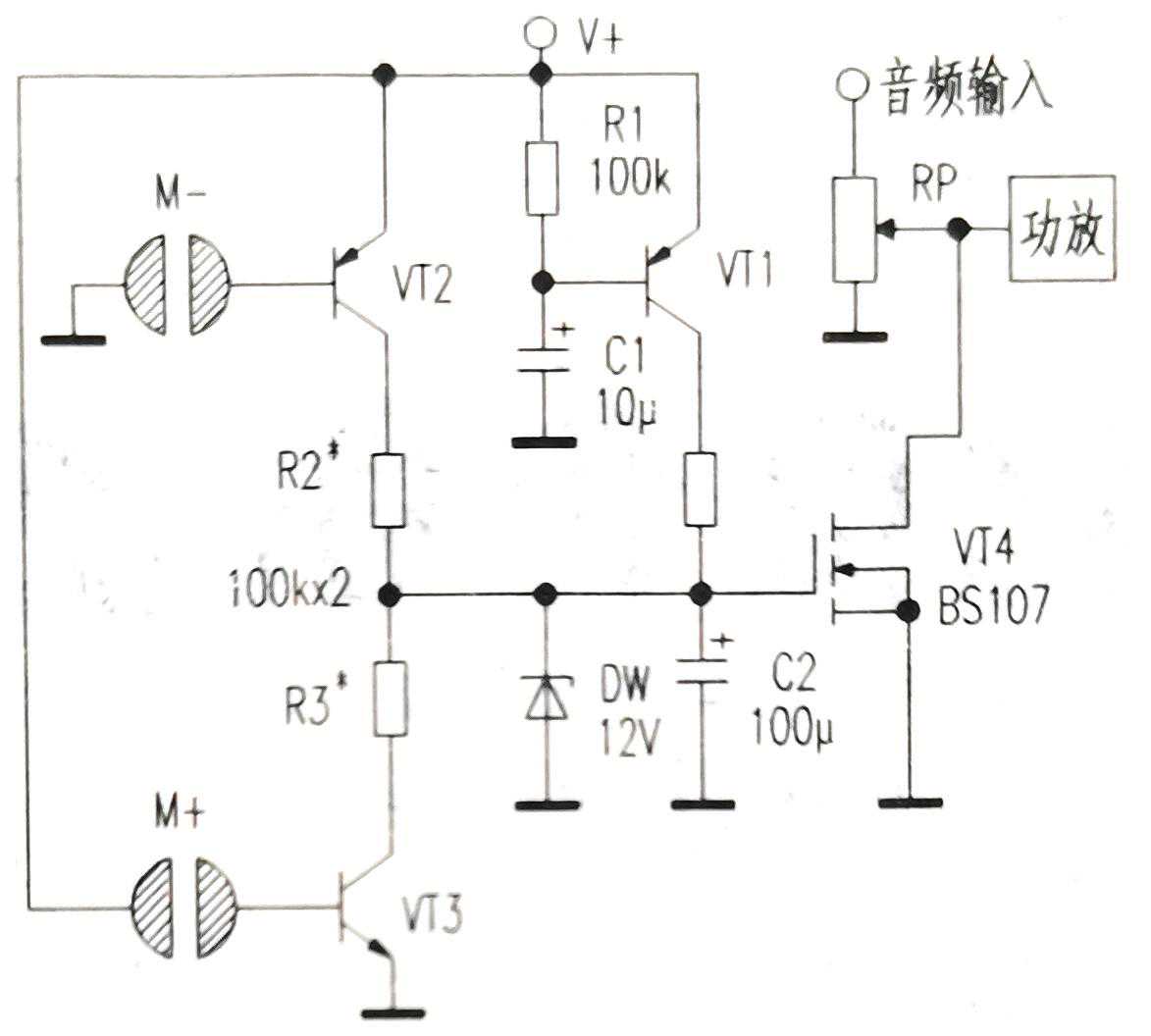
给功放机加装一个触摸式音量控制器可使音量平滑、无噪音、无级地调节,电路见小图。
VT4是一个VMOS管,RP是功放机的原音量电位器,M+和M-是音量调高和调低触摸片。
触摸M-时,人体手指的皮肤电阻使VT2加上偏置
而导通,V+通过VT2的e-c结和R2对
C2充电,VT4的G极电位升高,其D-s
极间阻抗减小,对功放输人的音频
信号分流增加,音量减小。
触摸M+时,皮肤电阻使VT3导通,C2通过R3VT4的G极电位降低,D-s极间电阻增大,对音频信号分流减小,音量增大。
停止触摸时VT2、VY3皆截止,由于MOS管的G极输人阻抗极高,所以C2上电压可以很长时间保持不变,也即
VT4的D-s极间电阻可以长时间保持不变或微变,音量便在调定状态不变。
由于C2可以平滑地充放电,且VMOS管具有较宽的线性放大区,所以触摸M+或M-时,音量可以和缓平稳地升降。
VTI和R1C1组成开机复位电
路。刚开机时,R1、C1在VT的b极产
生一个负脉冲,V们1瞬间导通,迅速
给C2充满电,VT4呈饱和导通状态,
进入功放的音频信号被全部短路,
功放无输入、输出从而避免了开机
时对功放管和扬声器的冲击。
图中,VT1~VT3的β值以大于
150为好,VT4可以用BS107、3D03等。
小功率VMOS场效应管,C2应选用
漏电流小的电容。V+取用功放机中
的低压直流电源。M+和M-可用两个
直径1cm左右的薄铜片,一分为二
相距1~2mm用万能胶粘贴于机正面
合适位置,注意连线隐蔽。
R2、R3的阻值决定了C2的充、
放电速度,也即决定了触摸时音量
大小的变化速度,可适当调整之,使
音量可从容地调高或调低。稳压管
DW是为保护VT4而设,如果V+不超
过12V,则DW可不用。
感谢阅读!
燃气灶“黑科技”哪家强?日式燃气灶选购全攻略
在六年前第一次装修的时候,国产的林内聚能火是被家电论坛奉为“神灶”般的存在,只可惜那时候珠三角完全不受待见,购买林内各种贵且困难,后来索性作罢。如今几年后再来看燃气灶市场,发现林内依然是“神灶”,只是受追捧的对象已经从以前的国产变成了海淘日式本土产品。当我向橱柜厂商提出要装日式燃气灶,担心对方没经验...
鼎通科技上涨5.73%,报63.65元/股
6月16日,鼎通科技盘中上涨5.73%,截至09:47,报63.65元/股,成交1.04亿元,换手率1.21%,总市值88.3亿元。资料显示,东莞市鼎通精密科技股份有限公司位于广东省东莞市东城街道周屋社区银珠路七号,公司主要从事高速通讯连接器和汽车连接器的研发、生产和销售,拥有强大的模具制造能力和产...
国内首台AI自动鉴别仪器亮相进博会 得物App用科技创新加速释放消费活力
图说:AI自动鉴别仪器吸引了许多人参观采访对象供图(下同)一双品牌运动鞋,放置在AI自动鉴别仪器下方的拍摄点,仪器自动拍摄多张不同角度和细节的照片,回传至得物查验鉴别数据库进行细节匹配,大约5秒之后,这双运动鞋的鉴别报告生成,商品真伪立马现形……第六届进博会上,得物自研的国内首台AI自动鉴别仪器吸引...
科技赋能农业生产:让国产农机配件更耐用、实惠 | 新华社
临近东北春耕,记者走进中国科学院金属研究所(以下简称“金属所”)农机耐磨件生产车间,看到机械手自动送料、机械臂精准下料,每隔3分钟就能下线一个切割盘或圆盘耙。据介绍,这种农机耐磨件采用了高强高韧耐磨合金钢材料,使用寿命普遍是国产平均水平的2倍以上,近年来广受农户欢迎。▲中国科学院金属研究所农机耐磨件...