开关电源基础知识:开关电源工作原理及各功能电路图分析
一、开关电源用途
开关电源产品广泛应用于工业自动化控制、军工设备、科研设备、LED照明、工控设备、通讯设备、电力设备、仪器仪表、医疗设备、半导体制冷制热、空气净化器,电子冰箱,液晶显示器,LED灯具,通讯设备,视听产品,安防监控,LED灯带,电脑机箱,数码产品和仪器类等领域。
二、开关电源工作原理及各功能电路详解开关电源的电路组成:开关电源的主要电路是由输入电磁干扰滤波器(EMI)、整流滤波电路、功率变换电路、PWM控制器电路、输出整流滤波电路组成。辅助电路有输入过欠压保护电路、输出过欠压保护电路、输出过流保护电路、输出短路保护电路等。
开关电源的电路组成方框图如下:

1、AC输入整流滤波电路原理:

①防雷电路:当有雷击,产生高压经电网导入电源时,由MOV1、MOV2、MOV3:F1、F2、F3、FDG1组成的电路进行保护。当加在压敏电阻两端的电压超过其工作电压时,其阻值降低,使高压能量消耗在压敏电阻上,若电流过大,F1、F2、F3会烧毁保护后级电路。
②输入滤波电路:C1、L1、C2、C3组成的双π型滤波网络主要是对输入电源的电磁噪声及杂波信号进行抑制,防止对电源干扰,同时也防止电源本身产生的高频杂波对电网干扰。当电源开启瞬间,要对C5充电,由于瞬间电流大,加RT1(热敏电阻)就能有效的防止浪涌电流。因瞬时能量全消耗在RT1电阻上,一定时间后温度升高后RT1阻值减小(RT1是负温系数元件),这时它消耗的能量非常小,后级电路可正常工作。
③整流滤波电路:交流电压经BRG1整流后,经C5滤波后得到较为纯净的直流电压。若C5容量变小,输出的交流纹波将增大。
2、DC输入滤波电路原理:
①输入滤波电路:C1、L1、C2组成的双π型滤波网络主要是对输入电源的电磁噪声及杂波信号进行抑制,防止对电源干扰,同时也防止电源本身产生的高频杂波对电网干扰。C3、C4为安规电容,L2、L3为差模电感。
②R1、R2、R3、Z1、C6、Q1、Z2、R4、R5、Q2、RT1、C7组成抗浪涌电路。在起机的瞬间,由于C6的存在Q2不导通,电流经RT1构成回路。当C6上的电压充至Z1的稳压值时Q2导通。如果C8漏电或后级电路短路现象,在起机的瞬间电流在RT1上产生的压降增大,Q1导通使Q2没有栅极电压不导通,RT1将会在很短的时间烧毁,以保护后级电路。
四、功率变换电路1、MOS管的工作原理:目前应用最广泛的绝缘栅场效应管是MOSFET(MOS管),是利用半导体表面的电声效应进行工作的。也称为表面场效应器件。由于它的栅极处于不导电状态,所以输入电阻可以大大提高,最高可达105欧姆,MOS管是利用栅源电压的大小,来改变半导体表面感生电荷的多少,从而控制漏极电流的大小。
2、常见的原理图:
3、工作原理:
R4、C3、R5、R6、C4、D1、D2组成缓冲器,和开关MOS管并接,使开关管电压应力减少,EMI减少,不发生二次击穿。在开关管Q1关断时,变压器的原边线圈易产生尖峰电压和尖峰电流,这些元件组合一起,能很好地吸收尖峰电压和电流。从R3测得的电流峰值信号参与当前工作周波的占空比控制,因此是当前工作周波的电流限制。当R5上的电压达到1V时,UC3842停止工作,开关管Q1立即关断。R1和Q1中的结电容CGS、CGD一起组成RC网络,电容的充放电直接影响着开关管的开关速度。R1过小,易引起振荡,电磁干扰也会很大;R1过大,会降低开关管的开关速度。Z1通常将MOS管的GS电压限制在18V以下,从而保护了MOS管。
Q1的栅极受控电压为锯形波,当其占空比越大时,Q1导通时间越长,变压器所储存的能量也就越多;当Q1截止时,变压器通过D1、D2、R5、R4、C3释放能量,同时也达到了磁场复位的目的,为变压器的下一次存储、传递能量做好了准备。IC根据输出电压和电流时刻调整着⑥脚锯形波占空比的大小,从而稳定了整机的输出电流和电压。C4和R6为尖峰电压吸收回路。
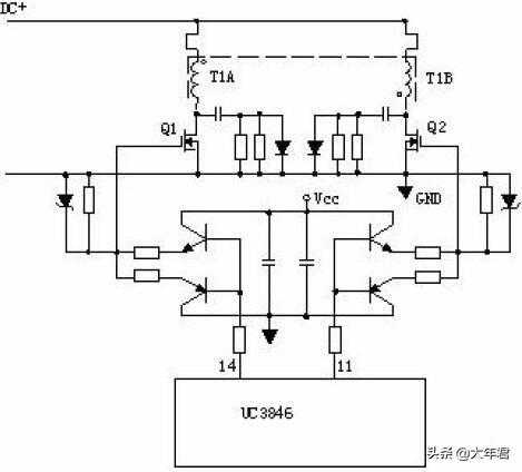
4、推挽式功率变换电路:Q1和Q2将轮流导通。
5、有驱动变压器的功率变换电路:T2为驱动变压器,T1为开关变压器,TR1为电流环。
五、输出整流滤波电路1、正激式整流电路:
T1为开关变压器,其初极和次极的相位同相。D1为整流二极管,D2为续流二极管,R1、C1、R2、C2为削尖峰电路。L1为续流电感,C4、L2、C5组成π型滤波器。
2、反激式整流电路:
T1为开关变压器,其初极和次极的相位同相。D1为整流二极管,D2为续流二极管,R1、C1、R2、C2为削尖峰电路。L1为续流电感,C4、L2、C5组成π型滤波器。
3、反激式整流电路:
4、工作原理:当变压器次级上端为正时,电流经C2、R5、R6、R7使Q2导通,电路构成回路,Q2为整流管。Q1栅极由于处于反偏而截止。当变压器次级下端为正时,电流经C3、R4、R2使Q1导通,Q1为续流管。Q2栅极由于处于反偏而截止。L2为续流电感,C6、L1、C7组成π型滤波器。R1、C1、R9、C4为削尖峰电路。
六、稳压环路原理七、短路保护电路1、在输出端短路的情况下,PWM控制电路能够把输出电流限制在一个安全范围内,它可以用多种方法来实现限流电路,当功率限流在短路时不起作用时,只有另增设一部分电路。
2、短路保护电路通常有两种,下图是小功率短路保护电路,其原理简述如下:
当输出电路短路,输出电压消失,光耦OT1不导通,UC3842①脚电压上升至5V左右,R1与R2的分压超过TL431基准,使之导通,UC3842⑦脚VCC电位被拉低,IC停止工作。UC3842停止工作后①脚电位消失,TL431不导通UC3842⑦脚电位上升,UC3842重新启动,周而复始。当短路现象消失后,电路可以自动恢复成正常工作状态。
3、下图是中功率短路保护电路,其原理简述如下:
当输出短路,UC3842①脚电压上升,U1③脚电位高于②脚时,比较器翻转①脚输出高电位,给C1充电,当C1两端电压超过⑤脚基准电压时U1⑦脚输出低电位,UC3842①脚低于1V,UCC3842停止工作,输出电压为0V,周而复始,当短路消失后电路正常工作。R2、C1是充放电时间常数,阻值不对时短路保护不起作用。
4、下图是常见的限流、短路保护电路。其工作原理简述如下:
当输出电路短路或过流,变压器原边电流增大,R3两端电压降增大,③脚电压升高,UC3842⑥脚输出占空比逐渐增大,③脚电压超过1V时,UC3842关闭无输出。
5、下图是用电流互感器取样电流的保护电路
有着功耗小,但成本高和电路较为复杂,其工作原理简述如下:输出电路短路或电流过大,TR1次级线圈感应的电压就越高,当UC3842③脚超过1伏,UC3842停止工作,周而复始,当短路或过载消失,电路自行恢复。
八、输出端限流保护上图是常见的输出端限流保护电路,其工作原理简述如上图:当输出电流过大时,RS(锰铜丝)两端电压上升,U1③脚电压高于②脚基准电压,U1①脚输出高电压,Q1导通,光耦发生光电效应,UC3842①脚电压降低,输出电压降低,从而达到输出过载限流的目的。
九、输出过压保护电路的原理输出过压保护电路的作用是:当输出电压超过设计值时,把输出电压限定在一安全值的范围内。当开关电源内部稳压环路出现故障或者由于用户操作不当引起输出过压现象时,过压保护电路进行保护以防止损坏后级用电设备。
应用最为普遍的过压保护电路有如下几种:
1、可控硅触发保护电路:
如上图,当Uo1输出升高,稳压管(Z3)击穿导通,可控硅(SCR1)的控制端得到触发电压,因此可控硅导通。Uo2电压对地短路,过流保护电路或短路保护电路就会工作,停止整个电源电路的工作。当输出过压现象排除,可控硅的控制端触发电压通过R对地泄放,可控硅恢复断开状态
2、光电耦合保护电路:
如上图,当Uo有过压现象时,稳压管击穿导通,经光耦(OT2)R6到地产生电流流过,光电耦合器的发光二极管发光,从而使光电耦合器的光敏三极管导通。Q1基极得电导通,3842的③脚电降低,使IC关闭,停止整个电源的工作,Uo为零,周而复始,。
3、输出限压保护电路:输出限压保护电路如下图,当输出电压升高,稳压管导通光耦导通,Q1基极有驱动电压而道通,UC3842③电压升高,输出降低,稳压管不导通,UC3842③电压降低,输出电压升高。周而复始,输出电压将稳定在一范围内(取决于稳压管的稳压值)。
4、输出过压锁死电路:
5、工作原理
输入电压经L1、L2、L3等组成的EMI滤波器,BRG1整流一路送PFC电感,另一路经R1、R2分压后送入PFC控制器作为输入电压的取样,用以调整控制信号的占空比,即改变Q1的导通和关断时间,稳定PFC输出电压。L4是PFC电感,它在Q1导通时储存能量,在Q1关断时施放能量。D1是启动二极管。D2是PFC整流二极管,C6、C7滤波。PFC电压一路送后级电路,另一路经R3、R4分压后送入PFC控制器作为PFC输出电压的取样,用以调整控制信号的占空比,稳定PFC输出电压。
十一、输入过欠压保护1、原理图:
2、工作原理
AC输入和DC输入的开关电源的输入过欠压保护原理大致相同。保护电路的取样电压均来自输入滤波后的电压。取样电压分为两路,一路经R1、R2、R3、R4分压后输入比较器3脚,如取样电压高于2脚基准电压,比较器1脚输出高电平去控制主控制器使其关断,电源无输出。另一路经R7、R8、R9、R10分压后输入比较器6脚,如取样电压低于5脚基准电压,比较器7脚输出高电平去控制主控制器使其关断,电源无输出。
推荐阅读
-
岳麓区在重点涉疫人员中检出4例新冠病毒肺炎阳性感染者
岳麓区在重点涉疫人员中检出4例新冠病毒肺炎阳性感染者感染者1:刘某某,女,58岁,常住岳麓区永祺西京6栋员工宿舍,为外省病例殷某的密切接触者。11月24日在集中隔离点例行核酸检测结果阳性,目前该感染者已闭环转运至定点医院。感染者2:肖某,男,34岁,住岳麓街道洋海塘小区29栋,为病例谢某某的密切接触...
-
PCB设计#改板#画板#反推原理图
PCB设计:抄板/改板/画板,反推原理图,PCB布局布线。今天来完成大疆无人机的收尾工作。这个大疆无人机总共有1800Q10一个焊板,用了7天的时间才把线走完,今天终于收完线了。收尾工作主要是检查丝印有没有违规。如果你们大老板有无人机需要用雷奥的请找我。看一下底层,没有发现问题,再常规检查一下。要检...
-
两地产业合作新进展 坤兴科技在广安(深圳)产业园顺利投产
读创/深圳商报记者苑伟斌4月29日,广安市坤兴科技有限公司正式开业。开业仪式在广安(深圳)产业园举行。这标志着深圳坤兴科技有限公司在深圳外设立的首个生产基地正式投入生产运营。从签约到投产,坤兴科技仅用了不到五个月时间。记者了解到,坤兴科技是一家集研发、生产、销售于一体的手机充电器的和电源适配器等产品...
-
恒为科技研究报告:AI算力可视化的“光模块”
(报告出品方/作者:民生证券,吕伟)1智能系统:AI智算可视化打开第二增长极1.1算力需求提升,智算可视化大有可为1.1.1AI时代开启,算力需求空前算力作为AI时代的必要基础设施,我国大力推进智算中心、智算网络建设。2023年1月10日,国家工业信息安全发展研究中心发布《智能计算中心2.0时代展望...