1.单端正激式
单端:通过一只开关器件单向驱动脉冲变压器.
正激:脉冲变压器的原/付边相位关系,确保在开关管导通,驱动脉冲变压器原边时,变压器付边同时对负载供电。

该电路的最大问题是:开关管T交替工作于通/断两种状态,当开关管关断时,脉冲变压器处于“空载”状态,其中储存的磁能将被积累到下一个周期,直至电感器饱和,使开关器件烧毁。图中的D3与N3构成的磁通复位电路,提供了泄放多余磁能的渠道。
2.单端反激式
反激式电路与正激式电路相反,脉冲变压器的原/付边相位关系,确保当开关管导通,驱动脉冲变压器原边时,变压器付边不对负载供电,即原/付边交错通断。脉冲变压器磁能被积累的问题容易解决,但是,由于变压器存在漏感,将在原边形成电压尖峰,可能击穿开关器件,需要设置电压钳位电路予以保护D3、N3构成的回路。从电路原理图上看,反激式与正激式很相象,表面上只是变压器同名端的区别,但电路的工作方式不同,D3、N3的作用也不同。
3.推挽(变压器中心抽头)式
这种电路结构的特点是:对称性结构,脉冲变压器原边是两个对称线圈,两只开关管接成对称关系,轮流通断,工作过程类似于线性放大电路中的乙类推挽功率放大器。
主要优点:高频变压器磁芯利用率高(与单端电路相比)、电源电压利用率高(与后面要叙述的半桥电路相比)、输出功率大、两管基极均为低电平,驱动电路简单。
主要缺点:变压器绕组利用率低、对开关管的耐压要求比较高(至少是电源电压的两倍)。
4.全桥式
这种电路结构的特点是:由四只相同的开关管接成电桥结构驱动脉冲变压器原边。
图中T1、T4为一对,由同一组信号驱动,同时导通/关端;T2、T3为另一对,由另一组信号驱动,同时导通/关端。两对开关管轮流通/断,在变压器原边线圈中形成正/负交变的脉冲电流。
主要优点:与推挽结构相比,原边绕组减少了一半,开关管耐压降低一半。
主要缺点:使用的开关管数量多,且要求参数一致性好,驱动电路复杂,实现同步比较困难。这种电路结构通常使用在1KW以上超大功率开关电源电路中。
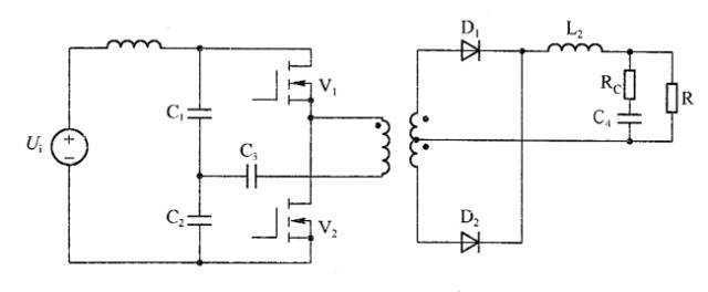
5.半桥式
电路的结构类似于全桥式,只是把其中的两只开关管(T3、T4)换成了两只等值大电容C1、C2。
主要优点:
具有一定的抗不平衡能力,对电路对称性要求不很严格;
适应的功率范围较大,从几十瓦到千瓦都可以;
开关管耐压要求较低;
电路成本比全桥电路低等。
这种电路常常被用于各种非稳压输出的DC变换器,如电子荧光灯驱动电路中。