今天有个朋友问了我一个问题,非常具有代表性,可能刚刚学习电机控制的朋友都有这个疑问。就是自锁电路里面的启动按钮开关是不是必须用自复位开关?为什么不用一个普通的通断开关或者自锁按钮?直接通断控制不就省掉很多接线吗?今天我们一起分析一下。
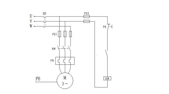
自锁电路
自锁电路:当图中按钮开关SB2按下去以后,接触器KM线圈得电吸合,同时自身的辅助NO常开点闭合实现自锁,所以再松开SB2以后,其实按钮开关的常开点已经复位处于断开状态。
直接控制
这种是直接加了一个通断开关,是不是看着更简洁,但是从安全方面考虑,我们还是需要第一种接法,我简单从三个方面给大家说一下。
第一点:这两个电路里面都有FR热过载继电器,热过载继电器的常闭点和接触器的线圈是串联的。如果电机过载这个常闭点会断开用来保护电机,但是热继一般默认的自动复位,在没有人照看的情况下如果电机过载或者异常热继会断开,但是里面的热元件冷却以后又马上闭合。如果是自锁电路热继常闭点复位电机也不会工作,但是第二个电路里的电机会立马运转,如果是电机异常跳的热继再次运转有可能会烧坏电机。所以不可取。
热继
解决方案:如果没有复位按钮临时接的第二种线路,那就把热继电器复位旋转到手动(H),过载跳了以后需要手动才能复位。
第二点:现在电路中都有过欠压保护,如果电压不稳或者是意外断电,再次通电后第二个电路中的电机会立马运转,在无人照看的情况下忽然启动,有安全隐患。
过欠压保护器
第三点:有的控制电路电流比较大,第二种接法通电时开关是一直工作的,如果触点的额定电流不够大,时间长了会烧坏触点或接触不良。第一种不会,它只是瞬间给了接触器线圈一次电然后就断开了。
按钮开关
综上所述,如果你能解决这三个问题,那么第二种电路也是可以用的。
欢迎留言点评
敏舒科技获数百万元天使 轮融资 |【医械日报】第1150期
今日医疗器械领域传来了一系列令人振奋的消息。从公司动态到新产品推出,再到投融资动向,都展现了这个行业的蓬勃生机。首先,Kelyniam公司宣布其定制的颅骨植入物系统NEOSCranialLOOP™获得了FDA的批准。这一系统利用先进的生物相容性材料制成,为神经外科医生提供了更安全、有效的手术选择。这...
AD8065ART-REEL7高性能、145 MHz FastFET™运算放大器
AD8065/AD8066具有5V至24V的宽电源电压范围,可采用单电源供电,带宽为145MHz,适合各种应用。此外,这些放大器还具有轨到轨输出,使其功能更加多样化。AD8065/AD8066为高性能高速FET输入放大器,采用小型封装:SOIC-8、MSOP-8和SOT-23-5。额定工作温度范围为...
这一夜,女明星科技脸现原形!有的脸僵,有的脸垮,没整的赢麻了
这一夜,演员工会奖落下帷幕,红毯上女明星们的表现,引发热议。有的女演员,当你觉得她的脸不行了的时候,她又神奇回春了……有的女艺人,当你觉得她脸在江山在的时候,她却突然颜值崩塌……忽高忽低的颜值,全靠“医学奇迹”和“黑科技”在硬撑!赛琳娜又瘦又回春赛琳娜不语,只是一味地“回春”!白皮+平眉,真是最适合...
聚焦五个智能行业领域 浙江出台行动方案打造世界级智能物联产业集群
记者从省经信厅了解到,日前,《浙江省智能物联产业集群建设行动方案》出台,提出到2027年智能物联产业集群规上企业营业收入达到1.5万亿元,到2030年突破2万亿元。据了解,智能物联产业是人工智能和物联网的融合与应用,以感知、网络和算力为基础,以平台和大数据分析为支撑,主要包括智能感知、智能网络、智能...