接触器主要用来控制电机的启停,单个接触器我们可以接成自锁
这个是接线图
如果看不太明白的,也可以参照下面的实物图解
这个没有加负载
自锁的要点:通过自身的辅助常开点,在启动按钮按下得电时,自身常开点闭合持续给接触器线圈供电完成自锁。
只要我们把握好了自锁线,自锁就变的很简单了,如果去掉自锁线,就变成了一个典型的点动控制线路。
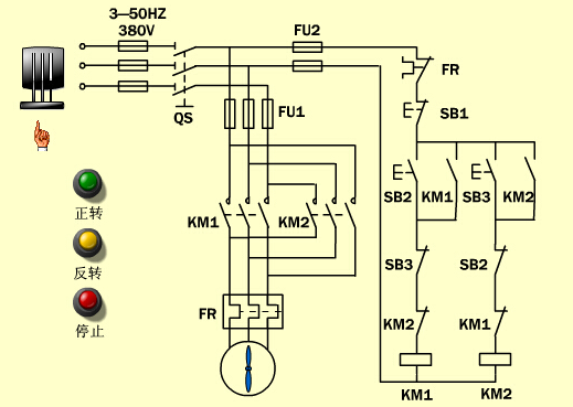
学会了自锁,下面我们再看下互锁,互锁比自锁稍微难一点,它是两个接触器或者和继电器完成的线路。
这是典型的接触器互锁控制电机正反转
接触器互锁控制电机的正反转非常实用,互锁的线路更加安全稳定。
这个是实物接线
要点:想实现互锁,我们配备的接触器必须辅助触点为常闭NC。
互锁就是把A接线器的线圈串到B接触器的辅助常闭点上,B接触器的线圈串到A接触器的常闭点上,这样一个接触器吸合,吸合的接触器常闭点就断开,另一个接触器就无法动作,就完成了互锁。
我们看下互锁电路图,然后看下它的操作
通常用来控制电机正反转
时钟周期/机器周期/指令周期/12M晶振和1us有啥关系
时钟周期时钟周期也叫振荡周期或晶振周期,即晶振的单位时间发出的脉冲数,一般有外部的振晶产生,比如12MHZ=12×10的6次方,即每秒发出12000000个脉冲信号,那么发出一个脉冲的时间就是时钟周期,也就是1/12微秒。通常也叫做系统时钟周期。是计算机中最基本的、最小的时间单位。在传统的8051单...
中新数据通道开通:高速率、大带宽、促进多领域深度合作
中新网重庆(记者刘贤)记者17日从重庆市大数据应用发展管理局获悉,中新(重庆)国际互联网数据专用通道(简称“中新数据通道”)近日开通。它是中国首条针对单一国家、点对点的国际数据专用通道,具备高速率、大带宽、低时延、高可靠的特点。该通道是从重庆经广州、香港到新加坡的直达数据链路,由中国电信、中国移动、...
倍压电路的原理是什么?如何把交流变成直流,并实现升压?
今天我们来了解一下倍压电路,以二倍压为例,分析的具体原理图就是下面的这个,整个电路先用一个220V转3V的变压器把交流电压下降到3V左右,左面就是一个倍压整流电路,最后输出8.4V(3*1.414*2=8.484)左右的直流电压,从而实现倍压整流的作用。我们先来分析一下这个电路的原理,当输入端的交流...
现在农村去世的人也不好放在祖坟里了,只能新开坟地
如果你听说一个人死去不能放祖坟里了,你一定会想这个人有什么问题,其实是正常的,没有任何问题,那为什么不能放在祖坟里呢?祖坟是一个家族去世的集中地,但是现在和以前不一样了。因为什么呢?是因为经济。母亲去世了,我们去看了另一个坟地因为不能放在祖坟里了,因为祖坟不是我们家的田了,放到人家田里人家有意见,想...