滤波电路可以将整流处处波动大的脉动直流电压平滑成波动波动小的直流电压,但如果因供电原因引起电压220V大小变化时(如220V上升至240V),经整流得到的脉动直流电压的平均值随之会变化(升高),滤波供给负载的直流电压也会变化(升高),滤波供给负载的直流电压也会变化(升高)。为了保证在市电电压大小发生变化时,提供给负载的直流电压始终保持稳定,还需要在整流、滤波电路之后增加稳压电路。
2、串联型稳压电路
滤波电路可以将整流处处波动大的脉动直流电压平滑成波动波动小的直流电压,但如果因供电原因引起电压220V大小变化时(如220V上升至240V),经整流得到的脉动直流电压的平均值随之会变化(升高),滤波供给负载的直流电压也会变化(升高),滤波供给负载的直流电压也会变化(升高)。为了保证在市电电压大小发生变化时,提供给负载的直流电压始终保持稳定,还需要在整流、滤波电路之后增加稳压电路。

1、简单的稳压电路
稳压二极管是一种具有稳压功能的器件,采用稳压二极管和限流电阻可以组成简单的稳压电路。简单稳压电路如上图,它由稳压二极管VZ和限流电阻R组成。
输入电压U1经限流电阻R送到稳压二极管VZ的负极,VZ被反向击穿,有电流流过R和VZ,R两端的电压为UR,VZ两端的电压为Uo,Ui、UR和Uo三者满足
UI=UR+Uo
如果输入电压UI升高,则流过R和VZ的电流增大,R两端的电压UR增大(UR=IR,I增大,古UR也增大),由于稳压二极管具有“击穿后两端电压保持不变”的特点,所以电压Uo保持不变,从而实现了输入电压UI升高时输出电压Uo保持不变的稳压功能。
如果输入电压UI下降,只要电压UI大于稳压二极管的稳压值,稳压二极管就仍处于反向导通状态(击穿状态),由于UI下降,所以流过R和VZ的电流减小,R两端的电压UR减小(UR=IR,I减小,UR也减小),因为稳压二极管具有“击穿后两端电压保持不变”的特点,所以Uo电压仍保持不变,从而实现了输入电压UI下降时让输出电压Uo保持不变的稳压功能。
要让稳压二极管在电路中起稳压作用,需满足以下条件。
(1)稳压二极管在电路中反接(即正极接低电位,负极接高电位)。
(2)加到稳压二极管两端的电压不能小于它的击穿电压(即稳压值)。
例如上图所示电路中的稳压二极管VZ的稳压值为6V,当输入电压U1=9V时,VZ处于击穿状态,Uo=6V,UR=3V;若UI由9V上升到12V。Uo仍未6V,而UR则由3V升高到6V(因输入电压升高使流过R的电流增大而导致UR升高);若UI由9V下降到5V,稳压二极管无法击穿,限流电阻R无电流通过,UR=0V,Uo=5V,此时稳压二极管无稳压功能。
2、串联型稳压电路
串联型稳压电路由三极管和稳压二极管等元器件组成,由于电路中的三极管与负载是串联关系,所以称为串联型稳压电路。
(1)简单的串联型稳压电路
如下图所示是一种简单的串联型稳压电路。220V交流电压经变压器T1降压后得到电压U2,电压U2经整流电路对C1进行充电,在C1上得到上正下负的电压U3,该电压经限流电阻R1加到稳压二极管VZ两端,由于VZ的稳压作用,在VZ的负极,也即B点得到一个与VZ稳压值相同的电压UB,电压UB送到三极管VT的基极,VT产生电流Ib,VT导通,有电流Ic从VT的集电极流入、发射极流出,它对滤波电容C2充电,在C2上得到上正下负的电压U4供给负载RL。
稳压过程:若220V交流电压增大至240V,变压器T1二次绕组L2上的电压U2页增大,经整流滤波后在C1上充得电压U3增大,因U3电压增大,流过R1、VZ的电流增大,R1上的电压UR1增大,由于稳压二极管VZ击穿后两端电压保持不变,故B点电压UB也保持不变,VT基极电压不变,Ib不变,Ic也不变(Ic=βIb,Ib、β都不变,故Ic页不变),因为电流Ic大小不变,故Ic对C3充得的电压U4也保持不变,从而实现了输入电压上升时保持输出电压U4不变的稳压功能。
对于220v交流电压下降时电路的稳压过程,读者可自行分析。
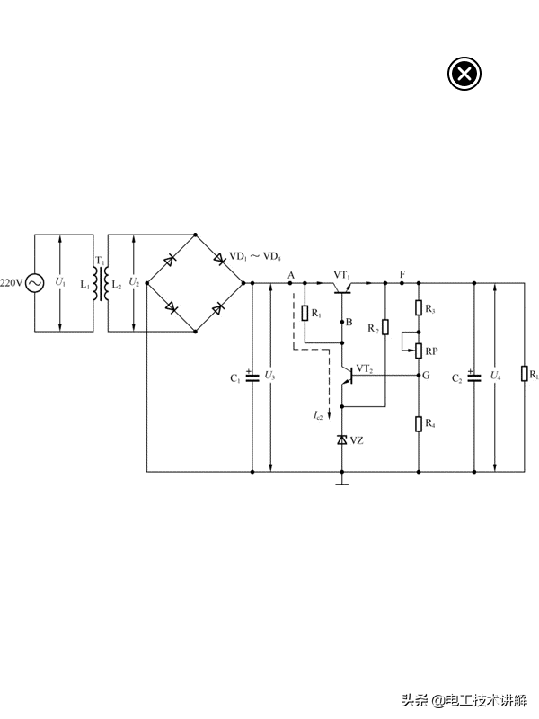
(2)常用的串联型稳压电
220V交流电压经变压器T1降压后得到电压U2,电压U2经整流电路对C1进行充电,在C1上得到上正下负的电压U3,这里的C1相当于一个电源(类似充电电池),其负极接地,正极电压送到A点,A点电压UA与U2相等。电压UA经R1送到B点,也即调整管VT1的基极,有电流Ib1由VT1的基极流往发射极,VT1导通,有Ic电流由VT1的集电极流往发射极,该Ic电流对C2充电,在C2上充得上正下负的电压U4,该电压供给负载RL。
U4电压在供给负载的同时,还经R3、RP、R4分压为比较管VT2提供基极电压,VT2有电流Ib2从基极流向发射极,VT2导通,马上有店里Ic2流过VT2,电流Ic2的途径是:A点-R1-VT2的集-射极-VZ-地。
稳压过程:若220V交流电压增大至240V,变压器T1二次绕组L2上的电压U2也增大,经整流滤波后在C1上充得的电压U3增大,A点电压增大,B点电压增大,VT1的基极电压增大,Ib1增大,Ic1增大,C2充电电流增大,C2两端电压U4升高,电压U4经R3、RP、R4分压在G点得到的电压也升高,VT2基极电压Ub2升高,由于VZ的稳压作用,VT2的发射极电压Ue2保持不变,VT2的基-射极之间的电压差Ube2增大(Ube2=Ub2-Ue2,Ub2升高,Ue2不变,故Ube2增大),VT2的电流Ib2增大,电流Ic2页增大,流过R1的电流Ic2增大,R1上的压降UR1增大,B点电压UB下降,即VT1的基极电压下降,VT1的Ib1下降,Ic1下降,C2的充电电流减小,C2两端的电压U4下降,回落到正常电压值。
在220V交流电压不变的情况下,若要提高输出电压U4,可调节调压电位器RP。
输出电压调高过程:将电位器的滑动端上移阻值变大点电压减小2的基极电压Ub2减小-VT2的Ube2减小(Ube2=Ub2-Ue2,Ub2减小,因VZ稳压作用Ue2保持不变,故Ube2减小)-VT2的电流Ib2减小-电流Ic2页减小-流过R1的电流Ic2减小-R1的压降UR1减小-B点电压Ub增大-VT1的基极电压增大-VT1的Ib1增大-Ic1增大-C2的充电电流增大-C2两端的电压U4增大。