单级单相升压型逆变技术的发展
升压型逆变器具有单级升压能力、负载短路时可靠性高、系统寿命较长、在光伏场合下可通过控制输入侧储能电感电流实现从弱光能至强光能全过程利用等特点,但传统单级单相升压型逆变器在降压区间储能电感无法去磁,导致输出波形畸变严重。针对这一问题,国内外学者对单级单相升压型逆变器展开了部分研究工作。
福建省新能源发电与电能变换重点实验室(福州大学)的研究人员黄炎尧、蔡高超、陈亦文,在2020年第1期《电气技术》杂志上撰文,论述了基于传统电路拓扑提出改进控制策略的单级单相升压型逆变器和新颖的单级单相升压型逆变器电路拓扑及其控制策略,并将上述各研究方案的电路参数及性能指标进行对比分析,得出了结论。

逆变器将直流电变换成交流电,给交流负载供电,在太阳能光伏发电、风力发电、燃料电池发电以及蓄电池应用等新能源供电场合具有至关重要的地位。
降压型(电压型)逆变器具有降压特性,其直流侧输入电压必须高于交流侧输出电压峰值,其技术已经十分成熟,被业界广泛采用。
相比较于降压型逆变器,升压型(电流型)逆变器的直流侧输入电压低于交流侧输出电压峰值,具有过载或短路时可靠性高、输出容量大等特点,并且升压型逆变器以电感作为储能元件,系统寿命要比以电解电容作为储能元件的降压型逆变器更长,在以光伏为输入源的场合下可通过控制输入侧储能电感电流,方便实现从弱光能至强光能全过程的利用。
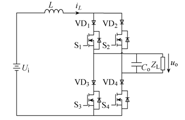
1传统单级单相升压型逆变器固有缺陷分析传统单级单相升压型逆变器电路拓扑如图1所示。图中输入侧串有储能电感L,4个与二极管串联的功率开关管构成逆变桥,逆变桥后接输出滤波电容Co与负载ZL,其直流侧输入电压Ui小于交流侧输出电压uo的峰值。
每个高频周期内电路仅存在两个模态,以uo>0为例,存在着S1、S3导通和S2、S4关断的充磁模态以及S1、S4导通和S2、S3关断的馈能模态。该工作方式下,在|uo|>Ui的区间里能够满足Boost变换器的工作规律,然而在|uo|<Ui的区间里,电路无论处于充磁模态还是馈能模态,储能电感电流iL都在增大,储能电感L无法正常去磁,因此存在着输出波形畸变严重且电感易饱和的固有缺陷。

图1传统单级单相升压型逆变器电路拓扑
2基于传统电路拓扑的单级单相升压型逆变器改进控制策略有相关研究就图1所示的传统单级单相升压型逆变器提出了改进控制策略。
2.1主动式非线性调制控制策略
有学者提出了一种降低输出侧低次谐波的主动式非线性调制技术,提取直流侧储能电感电流的交直流分量、结合并网电流基准进行运算,从而获得抑制并网电流低次谐波的非线性脉冲宽度调制(pulsewidthmodulation,PWM)信号,该控制策略下1kVA80VDC/220V50HzAC的并网逆变器样机输出电流波形总谐波失真(totalharmonicdistortion,THD)为4.42%。
实验结果证实,与传统正弦脉冲宽度调制(sinusoidalpulsewidthmodulation,SPWM)控制策略相比该控制策略较好地抑制了并网电流的三次谐波,但未报道其变换效率,且储能电感较大,为21mH。
2.2无源性控制策略
有学者提出一种无源性控制:基于对逆变器动态模型的分析,设置合适的阻尼系数,将闭环系统的能量函数整定成所期望的能量函数,从而得出占空比的表达式是一个含有负载电阻值的函数,因此,控制的实现还需要对负载电阻阻值进行预估。
该控制策略下225W48VDC/106V50HzAC的逆变器样机输出电压波形THD为1.64%,但未报道其变换效率,且储能电感仍然较大,为10mH。
2.3分段式控制策略
有学者提出了一种分段式控制策略:在升压阶段,电路工作在双环控制模式,即输出电压外环和电感电流内环的双环比例积分(proportional-integral,PI)补偿控制:外环输出电压与参考电压的误差信号经过PI补偿之后作为内环电感电流参考,再将电感电流与该参考的误差经PI补偿获得调制信号,最后调制信号与载波交截得到占空比;在降压阶段,电路一直工作于馈能模态。
该控制策略下,300W24VDC/127V50HzAC的逆变器样机输出电压波形THD为6.5%,满载时变换效率为82%,储能电感为0.1mH。
实验数据表明,该方案有效降低了储能电感值,但输出电压波形THD和变换效率还不够理想。该实验使用逆阻型IGBT进行,逆变桥侧无串联阻断二极管。
2.4改进式载波调制控制策略
有学者提出了改进式载波调制的控制策略:将电感电流值与固定的三角波峰值相乘,相乘所得数值作为三角载波的峰值,由于电感电流带有二次分量,所得载波波形包络线呈二倍频状,当电感电流变化时,载波峰值变化,从而适时地调制占空比,抑制了输入电流的脉动。
电路采用电流外环、电压内环的控制方法,为了在不增加损耗的前提下减小并网电流的畸变,引入了虚拟阻尼技术。该控制策略下,储能电感量为16mH。
该文还给出了250W40VDC/70V50HzAC的逆变器样机实验数据,在输出功率200W时,并网电流波形THD为4.78%,变换效率为88%。该方案能够获得较为平稳的输入电流,并且抑制了并网电流的三次谐波。该实验使用逆阻型IGBT进行,逆变桥侧无串联阻断二极管。
3新颖的单级单相升压型逆变器电路拓扑及其控制策略(略)3.1由两个Buck-Boost电路组成的逆变器
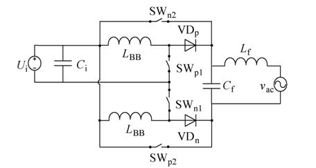
有学者提出的电路拓扑如图2所示,该电路由两个Buck-Boost电路组成,每个工频半周内对应其中一个Buck-Boost电路在工作。

图2由两个Buck-Boost电路组成的逆变器电路拓扑
该方案需要确定SPWM的调制比M的临界值以及储能电感LBB的电感量临界值,将电路设计为非连续导通模式(discontinuousconductionmode,DCM)运行方式。以正半周为例:SWp1被高频调制,SWp2保持导通,SWn1与SWn2保持关断。
每个高频周期存在3个模态:①SWp1导通时电源向电感储能;②SWp1断开,VDp导通,电感向输出侧馈能;③SWp1断开,VDp截止,电感电流降为零。
该方案中,电感向输出侧馈能的模态是以储能电感LBB、VDp、输出侧、SWp2构成回路进行的,并且电感电流断续,实现了逆变电路中过零附近的降压。
该方案需要两个储能电感,每个储能电感量为0.22mH。该文还给出了300W85VDC/106VAC的逆变器样机实验数据,在输出功率达到200W时,并网电流波形THD为6%左右,效率为80%左右,THD和变换效率都不够理想。
3.2组合式电流型逆变器
有学者所提出的组合式电流型逆变器电路拓扑如图3所示。
图3组合式电流型逆变器电路拓扑
该方案增设了与输入源串联的开关管Sp和与输入源并联的续流二极管VD5。控制中设定储能电感电流参考与逆变器输出电压参考,将储能电感电流iL和输出电压uo分别与它们的参考进行比较,以决定控制逻辑状态量,从而决定电路的工作模态。
在储能电感电流低于其参考时,电路工作在Sp闭合、桥臂直通(S1与S3闭合或S2与S4闭合)的充磁模态。在储能电感电流高于其参考时,电路工作在Sp断开、储能电感L通过续流二极管VD5与负载进行能量传递的模态。
该方案使用的储能电感量为0.3mH。文中还给出了180W48VDC/110V50HzAC的逆变器样机实验数据,满载时输出电压波形THD为3.87%,效率仅有78%。在该控制策略下,输出电压能较好地跟踪其参考,储能电感电流连续并围绕其参考上下波动。
3.3具有双桥臂储能电感的逆变器
有学者提出的具有双桥臂储能电感的升压型逆变器电路拓扑如图4所示。图中两个桥臂直通路径上都存在一个储能电感(L1、L2),并且每个储能电感都有一个续流二极管(VD1、VD2)与之并联。
图4具有双桥臂储能电感的逆变器电路拓扑
该方案通过分别对储能电感电流与输出滤波电容电压进行控制,从而间接地实现对光伏输入侧电压Upv与并网电流ig的控制。其中储能电感电流参考由最大功率点跟踪(maximumpowerpointtracking,MPPT)算法得出,输出滤波电容Cf的电压参考由并网电流ig与其参考的误差经过比例谐振(pro-portionalresonant,PR)控制器得出。
该方案使用了两个储能电感,单个储能电感量为0.36mH。该文还给出了500W60VDC/127V60HzAC的逆变器样机实验数据,在输出功率达到223W时效率达到最大,为93%,在额定工况下,并网电流波形THD达到4.49%。在该控制策略下,每个工频半周中只有一个储能电感在进行充放电,每个储能电感电流围绕其参考上下波动。
3.4具有储能电感电流限定的非线性PWM单周期控制逆变器
有学者提出的电路拓扑如图5所示,在储能电感L两端增设了二极管VD0与开关管S0。该方案采用了具有储能电感电流限定的非线性PWM单周期控制逆变方案,能够适时地调整每个高频周期的馈能占空比,从而保证输出电流波形质量。
图5具有储能电感电流限定的非线性PWM单周期控制逆变器电路拓扑
该方案使用的储能电感量为1mH。该文还给出了1kW110VDC/220V50HzAC的逆变器样机实验数据,在额定工况时,并网电流波形THD为1.87%,变换效率达到87.1%。
3.5输入侧串入并联谐振器的逆变器
有学者提出的电路拓扑如图6所示。在输入侧串上一个并联谐振器,该并联谐振器对二次、四次低频电流呈现很大的阻抗,有效地抑制了输入侧低频电流谐波,使得输入侧电感电流较为平稳,进而缓解了降压阶段存在的问题。
图6输入侧串入并联谐振器的逆变器电路拓扑
在控制策略上采用含PR调节器的电压电流双环控制,检测输出滤波电容电压与并网电流,经过PR调节器生成调制信号。
该方案使用的储能电感量L为5mH,并联谐振器中的两个电感量L1、L2分别为5mH、10mH。该文设计了500W80VDC/110V50HzAC的逆变器样机,并提到在额定工况时并网电流波形THD为2%,虽未给出变换效率,但本文提供了电网电压约为55V/50Hz、输出功率约为80W的实验波形。
3.6具有有源缓冲功能的逆变器
有学者提出的电路拓扑如图7所示。在传统电路中加入了一个有源缓冲电路,缓冲电路由开关管S0、二极管VD1和VD2、缓冲电容Cc构成,并且在逆变桥侧无需与开关管串联阻断二极管。当输入功率大于输出侧瞬时功率时,电感能量通过VD1、VD2存储在缓冲电容Cc上;当输入功率小于输出侧瞬时功率时,缓冲电容Cc通过逆变桥和S0将所存储的能量进行释放,从而解决了降压阶段电感无法去磁的问题。
图7具有有源缓冲功能的逆变器电路拓扑
在电路正常运行时,缓冲电容上的电压被控制为大于电网电压峰值,在假定输入电流IIN连续的前提下,根据数学关系,推导出当缓冲电路能够缓冲二倍频功率脉动时,缓冲电容Cc上的电压与电流的数学表达式;再结合电路的状态方程,得到各个模态的对应占空比。
该方案使用的储能电感量为1mH。该文还给出了400W70VDC/100V50HzAC的逆变器样机实验数据,在额定工况下,并网电流波形THD达到4.24%,变换效率为94.5%。在较好地实现了升压逆变功能的同时,还实现了有源缓冲功能,获得了平稳的输入电流。
4结论1)单级单相升压型逆变技术的主要难点在于:在一个输出侧交流电压周期内逆变器既要实现升压又要实现降压。在传统电路拓扑中,由于只存在两个电路模态,所以即使采用了改进控制策略方案,也仍不能从根本上解决降压阶段所存在的固有缺陷,并且储能电感量较大。
在传统电路拓扑的基础上,巧妙地引入合适的元件,以构造更加灵活的能量流动路径、将储能电感电流控制为合理的状态是该项技术的关键。本文所述各方案对比见表1。相比较基于传统电路拓扑的改进控制策略方案,采用新颖电路拓扑的方案效果更优。
表1单级单相升压逆变方案对比
2)在逆变系统中,输入侧直流源(例如蓄电池、光伏板等)往往以若干块组件串联的形式获得其预定的输入电压值,其升压特性能够有效地降低直流侧输入电压等级,进而减小直流源装置的体积,能够适应于更广泛的场合,具有良好的应用前景,但国内外就单级单相升压型逆变技术所展开的研究较少,亟需学者投入其中。
推荐阅读
-
开源实时监控系统CAT 3.0发布:多语言客户端及多项性能提升
项目背景CAT(CentralApplicationTracking),是美团点评基于Java开发的一套开源的分布式实时监控系统。美团点评基础架构部希望在基础存储、高性能通信、大规模在线访问、服务治理、实时监控、容器化及集群智能调度等领域提供业界领先的、统一的解决方案,CAT目前在美团点评的产品定位...
-
文秘、财务、经理、技术人员,山东海城生态科技集团招聘11人
公司简介:山东海城生态科技集团是海参、半滑舌鳎、三疣梭子蟹、南美白对虾、大菱鲆、海蜇、鲍鱼、水产品苗种等产品专业生产加工的有限责任公司,公司总部设在山东省无棣县埕口镇,山东海城生态科技集团拥有完整、科学的质量管理体系。山东海城生态科技集团的诚信、实力和产品质量获得业界的认可。招聘岗位:办公文秘:文秘...
-
看完德鲁克的84条思考,我终于明白他为何这么牛
纪念德鲁克的最好方式,就是重温他的思想。为此,我们从德鲁克的经典著作:《卓有成效的管理者》《管理的实践》《成果管理》中,摘录了84条金句,包含了时间管理、个人成长、组织、贡献、成果和目标、用人、决策等7个方面的干货,希望能对你有所帮助。一、关于时间管理1.有效的管理者并不是一开始就着手工作,他们往往...
-
北京亦庄商圈嘉捷科技园楼盘6月写字楼的租金2.17元/㎡·天,出售价格19707元/㎡
楼盘名称嘉捷科技园区县-商圈大兴-亦庄物业类型写字楼挂牌量85套(其中出租72套)平均租金2.17元/㎡·天(环比上涨0.46%)平均售价19707元/㎡(环比上涨1%)静态投资回报周期25年2019年6月北京亦庄商圈嘉捷科技园楼盘的写字楼房源挂牌量为85套,其中写字楼出租挂牌量为72套,写字楼平均...