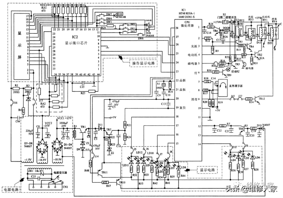
1、美的微波炉不加热、不消毒、不运转、照明灯不良,不能工作。
美的MD-KD23C-AK微波炉是电脑式微波炉,当电脑式微波炉不能工作时,应检测CPU工作条件(供电、复位、晶振)是否异常,各直流供电是否异常。下图所示为该微波炉电路图。

当微波炉炉门处于打开状态时,门开关S2处于断开状态,一方面使启动灯、+15V控制电路处于断路状态,从而禁止微波炉加热、消毒等操作;另一方面切断三极管TR6,炉门检测三极管基极(b)供电,使CPU判断出此时炉门是处于打开状态,从而发出“禁止"工作的信号。
当微波炉炉门处于关闭状态时,门开关S2处于闭合状态,除了启动+15V控制电路,给启动灯、继电器RY2〜RY4供电以外,还通过电阻R25给炉门检测三极管TR6的基极(b)供电,使其处于导通状态,从而控制CPU进行判断,此时炉门已关,可以发出“启动"命令。
在微波炉炉门处于关闭状态时,按下启动按钮(SW7),即可将指令传送给CPU,经由CPU内部进行指令控制,从而实现微波、转盘、散热等工作。CPU工作需要三个基本工作条件,即电源电路、复位电路和晶振电路都正常,该微波炉所采用的CPU(集成电路芯片HT48R30A-1)的⑲引脚为复位端,㉑引脚和㉒引脚为晶振电路外接晶体端。
微波炉电脑控制装置能够正常工作所需的电源都是经由电源电路中的变压器进行转换而来的。其中为显示屏供电电压,经桥式整流堆整流成-25V作为显示集成电路IC2的供电电压,经桥式整流堆整流后,则成为+15V直流电压,作为控制电路供电电压。
经过检测发现该微波炉控制电路工作不正常,经过进一步检测发现控制电路所需要的+15V直流电压为0V,由于电容C2的失效从而使整流二极管(D1、D3)过载烧断,如下图所示,需要更换。更换新的同规格电容后,开机试运行,故障排除。

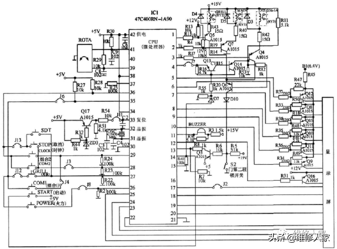
2、格兰仕微波炉通电后全无反应。
微波炉通电后无反应,通常应先对电源电路和微处理器进行检测,再对外围电路进行检测。下图所示为该微波炉电路图。

格兰仕WD900B微波炉采用的是计算机控制装置,经检测电源电路基本正常。从图中可以看到42脚接+5V电源,33脚接复位电路,31脚和32引脚接晶振电路。

当使用示波器检测CPU(微处理器)晶振电路的时候,发现检测不到晶振电路波形,如下图所示。

此时,即有可能是谐振晶体损坏,也有可能是微处理器内部的谐振电路损坏。区分方法是可以使用万用表检测谐振晶体引脚的电压,正常时应分别为2.4V和0.6V左右,如下图所示。

经过检测发现微处理器外接谐振晶体引脚的电压正常,因此可以肯定是外接谐振晶体损坏。更换一个同型号的谐振晶体,开机试运行,故障排除。
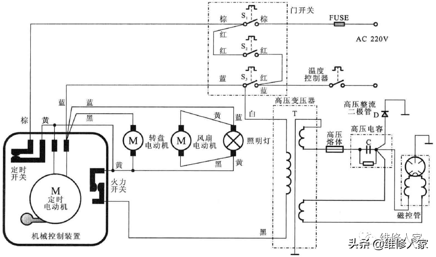
3、格兰仕微波炉通上电源后,只能听到“吱吱”的打火声,不能工作,照明灯也不亮。
由于能够听到“吱吱"的打火声,说明电源220V已经输入到微波炉内部,此时,怀疑是微波炉的门开关或控制装置有故障。下图所示为该微波炉电路图。

经检测发现机械控制装置中的定时电动机两端的电压只有30V左右,且不稳定。

检测定时电动机蓝/蓝/黑三色引线端和定时开关棕色引线端,发现交流220V的电压正常,因此怀疑是机械控制装置内部有不良情况。

检测机械控制装置各引脚之间的阻值,结果发现定时开关的两个引脚间的阻值较大(应接近0),如下图所示,由此可以判断定时开关损坏。

拆开机械控制装置,发现定时开关触片的表面有明显的焦黑打火痕迹,更换后,开机试运行,故障排除。
4、LG微波炉通电后显示屏无显示,不能设定操作,不能工作。
微波炉不能工作通常怀疑是电源电路出现故障,首先可采用“观察法”查看保护装置,如保险管(熔断器),如保险管没有烧坏,则查看微波炉的几个控制开关,如下图所示。

从该微波炉的电路图中可以看到门开关是由三个微动开关组成的。经过检测发现其中一个门开关一直处于开路状态。由此可以判断该微波炉是由于门开关损坏导致不能通电工作,更换后故障排除。
